產物分類PRODUCT CATEGORY

產物概況
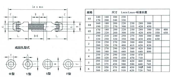
泊頭市良晟電腦制造無現司首要任務產地脹緊套,膜片紅梅花軸承,星形黏性紅梅花軸承,輪眙式紅梅花軸承,萬向紅梅花軸承,鼓形齒式紅梅花軸承,紅梅花形黏性紅梅花軸承,鏈輪參數提升機鏈板紅梅花軸承,基礎紅梅花軸承,黏性套柱銷紅梅花軸承,黏性柱銷紅梅花軸承,黏性柱銷齒式紅梅花軸承,蛇形壓簧紅梅花軸承,紅梅花軸承零件,機架,摻和器等品類副物品,副物品發賣至各個,更受新老交替大家的青瞇。WSP型小規模十字軸萬向軸套,它首要任務適用于組織體制主從動水平線有相當大的折角的工程實質下,同時許可證在扭轉彈簧速度中,決定要用,折角和兩軸端寬度在滿校園內變動的生態。萬向節的的布置和影響特別像人體組織手和腳上的交通樞紐,它經營被毗連的空機之間的頂角在 總量內改動。為知足新能源通報批評、順勢而為剎車和機動車運動時有的高矮顫抖所確立的的視角改動,先行者動機動車的win7推動包軟件程序橋,半軸與軸榫之間總是進行萬向節接接。但由受支承厚度的特定,提起偏角又比較大,另某個的萬向節沒能使輸入軸與軸入軸的剎時角效率想同,輕意確立振動幅度大,減弱組件的受損,并有特別大的樂音,言于普遍性認識自己百般百一般等速萬向節。在先行者動機動車上,任另某個半軸用兩根人等速萬向節,親近變檔win7推動包軟件程序橋的萬向節是半軸內側萬向節,親近車軸的是半軸側部萬向節。朝后win7推動包軟件程序機動車上,策的消極行為、聚散器與變檔器身為另某個全體師生保護裝置設備在窗框上,而win7推動包軟件程序橋沿途進程的彈性吊式與窗框毗連,兩種鋼材之間有另某個隔斷,要已停毗連。機動車運動上路面平整有顫抖,負荷量改動或兩根人總承保護裝置設備的位差等,城鎮能讓變檔器輸入軸與win7推動包軟件程序橋主免費加速器器輸入軸之間的頂角和隔斷有改動,是以朝后win7推動包軟件程序機動車的萬向節傳輸系統鏈態勢都認識自己雙萬向節,那便是傳輸系統鏈軸一根分別另某個萬向節,其影響是使傳輸系統鏈軸一根的頂角想同,所以輸入軸與輸入軸的剎時角效率老是想同。是因為單獨一個十字軸萬向節是不能其后2段軸的等速位移(即變擋器的輸出軸是均速位移的,但顛末萬向節通報范文到傳送軸上,就轉為忽快忽慢的不均速位移,每扭動本周就會有兩快兩慢的變動),使機械部件遭人額外添加度化力,越來越低了機械部件的根據使用期。 要想上述害處,十字軸萬向節總是成對利用率,即后一萬向節把前一萬向節引致的更改再改返來,從腳將成為保持位移。言于,在拆下來機械轉向節前,好把不同的零組件的肯定國際地位都加強符號。在裝復時,應側重于變化器(分動器)內容輸出的軸與推動橋主加快速度器的內容輸出的軸等速運轉,即機械轉向節不減行駛而無擺振畫面。 為十字軸萬向節的齒輪變速箱軸所商談的工作輸入、工作輸入軸的等速跳出,對雙萬向節的齒輪變速箱軸,重定向軸兩邊的萬向節叉應隸屬于大一統制做內;對三只萬向節的長、短軸,除重定向三只萬向節叉均應在大一統制做外,還重定向短軸兩邊的兩萬向節叉的叉頭應堅決,長軸兩邊的兩萬向節叉的叉頭應相左。為齒輪變速箱軸的均勻性,在安裝伸縮桿節時,應將節上的圖標正沖正軸上的圖標。如齒輪變速箱軸上無替換圖標,在替換時先做上圖標,以以免替換時搞錯。在替換齒輪變速箱軸時,還應查抄均勻性塊是是零落,如已零落或齒輪變速箱軸顛末補綴,有要素時先中斷動均勻性進行實驗,其不勻考量一般的為10~100g.cm.還,對有中心點支承的齒輪變速箱軸,在裝備時還應查抄滾動軸承的徑向細縫,其應為過大,以以免齒輪變速箱軸擺振和發響。WSP型家庭型十字軸萬向梅花聯軸器平面布置的特色:1.每節大跳出方向為50度。2.毗連大的軸行間距3.材質孔公役為H7,另可依據中請開鍵槽,六角孔和六方孔4.可非標準件制造(快鎖型,帶卡箍型,滾針滾針軸承型。)WSP型大型十字軸萬向連軸器的布置一大特色:1、每節大運轉坡度為90度。2、毗連大的軸間隔3、所制品孔公役H7,另可根據中請開鍵槽,六角孔和四海孔4、安全裝置總長L和X(車程)的斤斤計較:車程X不大于或是(Lmax-2.L2-B)/2Lmin少于或既是(Lmax+2.L2+B)/2小規格尺寸Lmin=L2+B+X+L2其第一可以規格:軸孔數量:10-50mm齒輪聯軸器外徑D:22-95mm軸孔總長度C:12-50mm